0102030405
Omboh Silinder Hidraulik MPM MPM-HCPT11
Penerangan
Ketepatan diameter luar omboh silinder hidraulik jenama MPM boleh mencapai ±0.01mm, ralat silinder dikawal dalam lingkungan 0.005mm, dan kekasaran permukaan Ra adalah serendah 0.2μm - 0.4μm, memastikan pemadanan berketepatan tinggi dengan dinding dalam silinder, mengurangkan kehilangan friksi dengan berkesan, mengurangkan kebocoran dengan berkesan. dan keseluruhan silinder hidraulik.
Mengikut persekitaran kerja dan media yang berbeza, bahan pengedap berkualiti tinggi seperti getah fluororubber dan nitril dipilih untuk memastikan keserasian dan kestabilan pengedap dan minyak hidraulik.
Untuk meningkatkan kekerasan dan rintangan haus permukaan omboh dan meningkatkan hayat perkhidmatan, permukaan omboh tertakluk kepada rawatan anti-karat khas, seperti penyaduran krom, penyaduran nikel atau salutan kimia.
Ciri-ciri
Apabila bekerja, di bawah tindakan perbezaan tekanan minyak hidraulik, omboh bergerak secara linear di sepanjang silinder, menukar tenaga hidraulik kepada tenaga mekanikal untuk memacu beban luaran. Ia digunakan secara meluas dalam pelbagai sistem hidraulik.
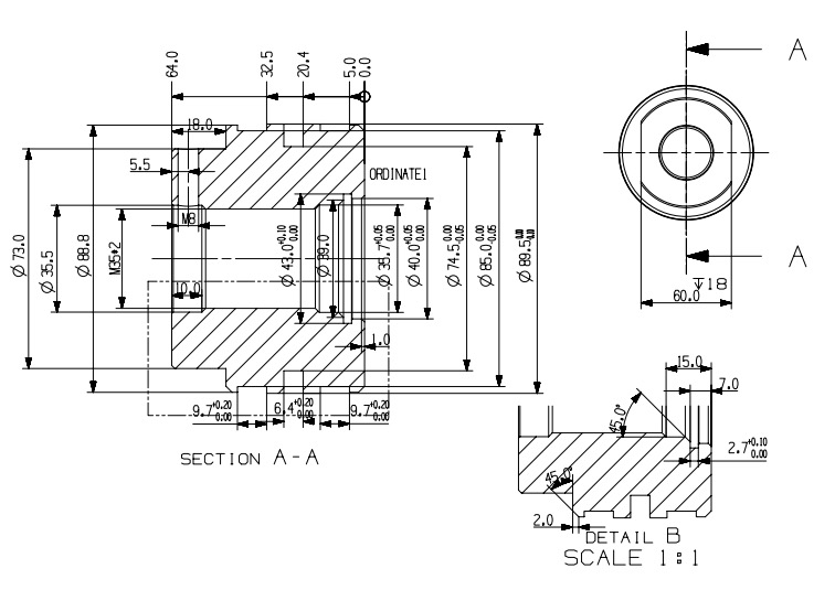
Rujukan lukisan
Spesifikasi
Bahan: Keluli karbon, Keluli aloi, Keluli tahan karat
Rawatan Permukaan: Menggilap, Menyahburkan, Plat Krom, Bersalut Ni, Bersalut Zine, Menyadur perak
Penyesuaian adalah prinsip pertama MPM.
| produk | Diameter Julat ID | Diameter Julat OD | Julat Ketinggian |
| Omboh Silinder | 10mm~350mm | 35mm~420mm | 10mm~300mm |
| Lubang dalam H9, bulatan luar h9, toleransi dimensi khas boleh disesuaikan. Lain-lain adalah mengikut ISO 2768-mK. | |||
Perkhidmatan
Qingdao Micro Precision Machinery Co., Ltd. telah menyediakan perkhidmatan aksesori silinder hidraulik berikut kepada pelanggan global selama beberapa dekad.
1. Jenis Perniagaan: Pengeluar OEM & ODM (Perkhidmatan Pemesinan CNC Tersuai)
2.Format DWG: DWG, PDF, IGS, STEP, SLDPRT, SLDDRW, PRT, DRW, DXF, X_T, dsb.
3. Peralatan: Mesin Pengilangan CNC, Pelarik CNC, Pelarik NC Panduan Oblique
4. Sistem QC: ISO9001: 2008
5. Kelebihan Kami:
(1)Kualiti Boleh Dipercayai
(2)Harga Kompetitif
(3)Ketepatan tinggi, berkualiti tinggi, toleransi yang ketat
(4)Penambahbaikan Berterusan
(5)Produk Tanpa Kecacatan
(6)Penghantaran Menepati Masa
(7)Kepuasan Pelanggan
(8)Perkhidmatan Selepas Jualan Cemerlang




